- 286liter Tároló mérete
- - Működés módja
- zománcozott acél Tároló anyaga
- - Hőcserélő teljesítmény
- "C" kategória Szezonális hatásfok (2010/30/EU)
Bemutatás
Melegvíz tároló zománcozott acélból
- Űrtartalom: 286 liter
- Beépített magnézium anódrúd
- Tároló felfűtési ideje 10 °C-ról 60 °C-ra: 32 perc
- Hőcserélő felülete: 3,2 m2
- Tároló és hőcserélő anyaga: zománcozott acél
- Tömege víz nélkül: 133 kg
- Hőveszteség: 1,7 kWh / 24 óra
- Megengedett legnagyobb nyomás a tárolóban: 10 bar
- Megengedett legnagyobb nyomás a hőcserélőben: 10 bar
- Biztonsági szeleppel szállítva
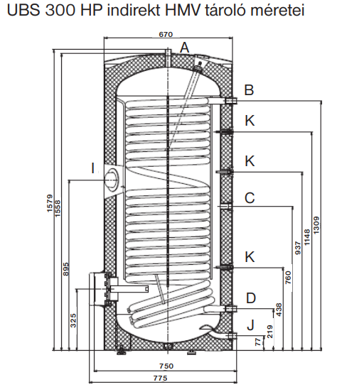
Méretek

